Bár gyűjteményünk magját magyarországi építészek hagyatékai képezik, találhatóak nálunk olyan műtárgyak is, amelyek külföldi alkotókhoz kapcsolódnak, akik Magyarországon is itt hagyták kezük nyomát. Ezek közül egyik legnagyobb büszkeségünk az a terv- és fotóanyag, amely Gustave Eiffel nevéhez köthető.
A tárgyak nem Eiffel hagyatékából kerültek a Múzeumi Gyűjteménybe, hiszen azt szinte teljes egészében a párizsi Musée d’Orsay őrzi, ugyanakkor közvetlen kapcsolatba hozhatók a mérnökkel. Az Eiffel cég és az Osztrák Államvasút Társaság által épített budapesti Nyugati pályaudvar tervrajzai közül több lapon megtalálhatjuk a párizsi Eiffel cég pecsétjét, Letzter Lázár fényképei pedig megörökítik a szegedi Tisza-híd építését, amelyet a francia vállalat kivitelezett.
Gustave Eiffel Dijonban született német származású családban. Születésekor az Alexandre Gustave Boenickhausen dit Eiffel nevet kapta. Az Eiffel nevet édesapja vette fel a család származási helye után, amely a Rajnai-palahegység északnyugati részén található Eifel-hegység egyik faluja. Eiffel apja rendőrtiszt volt, anyja pedig családi öröksége révén egy sikeres fa- és kőszénkereskedést működtetett. Az ambiciózus fiatal férfi felsőfokú tanulmányait vegyészmérnöki szakon végezte, s valójában építészeti képesítéssel egyáltalán nem rendelkezett. Ez egyrészt nem volt feltétlen elvárás a korszak tervező építészeiről, másrészt, mint egy sikeres cég vezetője, a tervezési munkát nem ő maga végezte.
Már vállalkozása elindítása előtt megismerkedett a vasszerkezetek építésével, hiszen 1858–1860 között művezetőként dolgozott Bordeaux vasúti hídjánál. 1866-ban megalapította önálló vállalatát Párizs külvárosában, Levallois Perretben, amelyhez vasgyár, tervezőiroda és szerelőműhely is tartozott, így a vasszerkezetek előállításának teljes folyamatát kézben tudta tartani. Cégéhez kötődik több, mint 500 vas szerkezetű építmény a világ 5 kontinensén, 30 országában. Viaduktok, vasúti- és közúti hidak, vásárcsarnokok, pályaudvarok, ipari létesítmények és egyéb építészeti vasszerkezetek tartoznak a művek széles repertoárjába. Leghíresebb munkái közé sorolható a Frédéric Auguste Bartholdi által mintázott New York-i Szabadságszobor vázszerkezete, Franciaország egyik leglátványosabb és legmagasabb viaduktja, a Garabit-viadukt, valamint a mérnöknek igazi világhírt szerző, az 1889-es párizsi világkiállításra megvalósult Eiffel-torony, amely napjainkra Párizs jelképévé vált. Kevéssé ismert tény, hogy utóbbi terveinek a kidolgozásában gyakornokként egy lengyel származású magyar mérnök is részt vett, a Margitszigeti víztorony és a Hősök teréről a Városligeti tavon átívelő híd tervezője, Zielinski Szilárd, aki 1885-ben töltött néhány hónapot a francia cégnél.
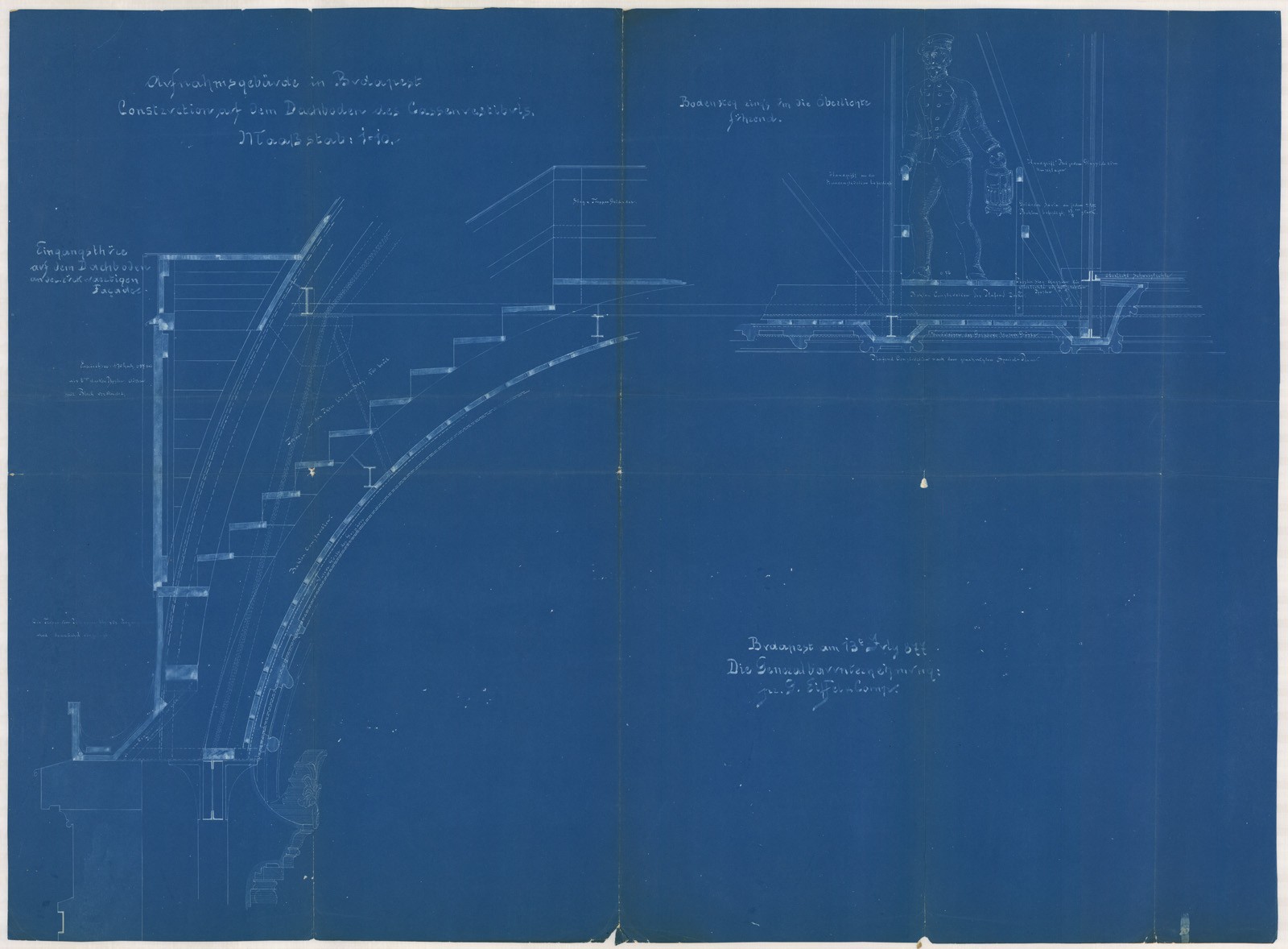
Hazánkban a Nyugati pályaudvar (1875–1877) monumentális vas csarnoka és a szegedi Tisza-híd (1881–1883), a mai Belvárosi híd elődjének kivitelezése köthető az Eiffel cég nevéhez. Előbbit az Osztrák Államvasút Társasággal együttműködve, utóbbit Feketeházy János mérnök és Szkalnitzky Antal építész társaságában alkották meg. Intézményünk számos látványos darabot őriz a Nyugati pályaudvar tervanyagából, melyek közül érdemes kiemelni a művészi igénnyel kialakított, klasszikus építészeti formákból megalkotott vastartók, valamint a csarnok szerkezeti terveit. A szegedi híd építését pedig egy különleges fotósorozat örökíti meg, amelyet a városban élő és alkotó fotográfus, Letzter Lázár készített, s a sorozat egyik darabjának hátulján franciául olvashatóak a híd legfontosabb adatai.
Bár Eiffel munkáit mérnöki oldalról a kezdetektől nagy tisztelet övezte, művészi oldalról nem ennyire volt pozitív a fogadtatása. Különösen az Eiffel-torony építkezése kapcsán érték kemény kritikák, hiszen a struktúra, a szerkezet ilyenfajta nyers őszintesége távol állt a historizmus és a szecesszió mozgalmainak építészeti nyelvezetétől, s igazából csak a modernizmus kezdte hosszú évtizedekkel később értékelni. Ahogy a nagy francia modernista építész, Le Corbusier írt a mérnökről Charles Cordat Eiffel-toronyról szóló kötetének előszavában: „Eiffel úr biztos vagyok benne, hogy egy szelíd számoló volt, akit (a szellem) nagysága és magasztossága lakott. Fájt neki, hogy nem tartották a szépség adományozójának. […] Számításait az arányok iránti, csodálatra méltó ösztöne irányította.”
Tóth Enikő
Irodalom:
Association des Descendants de Gustave Eiffel. https://gustaveeiffel.com/
Cordat, Charles: La Tour Eiffel, préface de Le Corbusier, Paris, Éditions de Minuit, 1955.
Mathieu, Caroline: Gustave Eiffel. Le Magicien du Fer. Catalogue de l'exposition à l'Hôtel de Ville de Paris. Skira, Paris, 2009.
Zielinski Szilárd: A párizsi 300 méter magasságú torony erőtani ismertetése. In: A Magyar Mérnök- és Építész-Egylet Közlönye, 1888, 22. évf. 1. sz. 1-12.
